东莞市贡福电子有限公司
电话:0769-82391938
0769-81100206
传真:0769-82391939
地址:东莞市寮步凫山星锐工业园B栋3楼
吕先生:15622511589
小吕:15622511110
陈先生:18922960825
江小姐:18922960826
E-mail:lvbin@fuse168.com
E-mail:gf@gfefuse.cn
E-mail:sales@gfefuse.cn
E-mail:jsr@gfefuse.cn
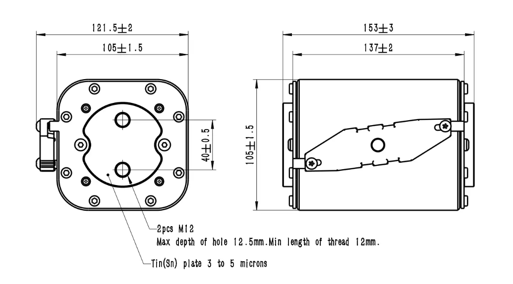
产品展示当前位置:首页 > 产品展示| Part No. | Fuse | Size | Average @ 50KA/1500Vdc | Power Loss (W) 1.0In | |
| Amps | A²s Melting | A²s Clearing | |||
| GFBFG4-400S-105ES | 400 | 4 # | 42,250 | 255,800 | 168 |
| GFBFG4-500S-105ES | 500 | 4 # | 93,500 | 585,500 | 175 |
| GFBFG4-630S-105ES | 630 | 4 # | 163,000 | 1,020,500 | 185 |
| GFBFG4-700S-105ES | 700 | 4 # | 225,500 | 1,320,000 | 192 |
| GFBFG4-800S-105ES | 800 | 4 # | 310,000 | 1,970,000 | 196 |
| GFBFG4-900S-105ES | 900 | 4 # | 425,000 | 2,600,000 | 200 |
| GFBFG4-1000S-105ES | 1000 | 4 # | 640,000 | 4,005,000 | 210 |
| GFBFG4-1100S-105ES | 1100 | 4 # | 780,300 | 4,950,000 | 220 |
| GFBFG4-1200S-105ES | 1200 | 4 # | 915,000 | 5,865,500 | 242 |
| GFBFG4-1250S-105ES | 1250 | 4 # | 1,080,000 | 7,150,600 | 255 |
| GFBFG4-1300S-105ES | 1300 | 4 # | 1,300,000 | 8,040,000 | 260 |
| GFBFG4-1350S-105ES | 1350 | 4 # | 1,320,000 | 9,060,000 | 266 |
| GFBFG4-1400S-105ES | 1400 | 4 # | 1,665,000 | 10,700,000 | 275 |
| GFBFG4-1500S-105ES | 1500 | 4 # | 1,870,000 | 11,950,500 | 282 |
| GFBFG4-1600S-105ES | 1600 | 4 # | 2,235,000 | 14,880,000 | 294 |
| GFBFG4-1800S-105ES | 1800 | 4 # | 2,850,000 | 17,950,000 | 313 |
| GFBFG4-2000S-105ES | *2000 | 4 # | 3,750,000 | 23,900,000 | 345 |
| *:If there are any requirements, please communicate with the original factory staff first. | |||||
电话:0769-82391938 0769-81100206
传真:0769-82391939
吕先生:15622511589 lvbin@fuse168.com
小吕:15622511110 gf@gfefuse.cn
陈先生:18922960825 sales@gfefuse.cn
江小姐:18922960826 jsr@gfefuse.cn

中文
EN
全国销售与服务热线